SHA1算法源码分析
一、SHA1明文处理
1. C调用SHA1哈希方法
1 2 3 4 5 6 7 8
| SHA1Context ctx; SHA1Context* pCtx = &ctx; SHA1Reset(pCtx); SHA1Input(pCtx, (const uint8_t*)"Hello SHA1", strlen("Hello SHA1")); uint8_t digst[SHA1HashSize]; SHA1Result(pCtx, digst); for (int i = 0; i < SHA1HashSize; i++) printf("%02x", digst[i]);
|
2. 明文处理
SHA1的数据填充方式与MD5的一样:
- 在原始数据后添加一个1比特
- 在1比特后填充比特0,使其长度接近但不超过448位
- 最后使用64位二进制数表示原始数据长度,附件在末尾
填充当中与MD5唯一的区别就是:64位数据长度按照大端序存放
二、SHA1主要流程
1. SHA1Context结构体
1 2 3 4 5 6 7 8 9 10
| typedef struct SHA1Context { uint32_t Intermediate_Hash[SHA1HashSize / 4]; uint32_t Length_Low; uint32_t Length_High;
int_least16_t Message_Block_Index; uint8_t Message_Block[64]; int Computed; int Corrupted; } SHA1Context;
|
2. 初始化
1 2 3 4 5 6 7 8 9 10 11 12 13 14 15 16 17
| int SHA1Reset(SHA1Context *context) { if (!context) { return shaNull; } context->Length_Low = 0; context->Length_High = 0; context->Message_Block_Index = 0; context->Intermediate_Hash[0] = 0x67452301; context->Intermediate_Hash[1] = 0xEFCDAB89; context->Intermediate_Hash[2] = 0x98BADCFE; context->Intermediate_Hash[3] = 0x10325476; context->Intermediate_Hash[4] = 0xC3D2E1F0; context->Computed = 0; context->Corrupted = 0; return shaSuccess; }
|
对比于MD5,SHA1初始化向量用了5个,其那四个与MD5一致。这个也是SHA-1的魔改点。
1 2 3 4 5 6 7 8 9 10 11 12 13 14 15 16 17 18 19 20 21 22 23 24 25 26 27 28 29 30 31 32
| int SHA1Input(SHA1Context *context, const uint8_t *message_array, unsigned length) { if (!length) { return shaSuccess; } if (!context || !message_array) { return shaNull; } if (context->Computed) { context->Corrupted = shaStateError; return shaStateError; } if (context->Corrupted) { return context->Corrupted; } while (length-- && !context->Corrupted) { context->Message_Block[context->Message_Block_Index++] = (*message_array & 0xFF); context->Length_Low += 8; if (context->Length_Low == 0) { context->Length_High++; if (context->Length_High == 0) { context->Corrupted = 1; } } if (context->Message_Block_Index == 64) { SHA1ProcessMessageBlock(context); } message_array++; } return shaSuccess; }
|
使用SHA1Input函数将待加密的明文传入后,会先将明文按照512bit进行分组,然后512bit中的每字节存入MessageBox_Block当中,如果MessageBox_Block已经填满,则先进行一次SHA1的运算,之后继续遍历。
如果输入的原始数据过长,超过了**$2^{64}-1$**位的话就报错。
4. SHA-1运算函数
1 2 3 4 5 6 7 8 9 10 11 12 13 14 15 16 17 18 19 20 21 22 23 24 25 26 27 28 29 30 31 32 33 34 35 36 37 38 39 40 41 42 43 44 45 46 47 48 49 50 51 52 53 54 55 56 57 58 59 60 61 62 63 64 65 66 67
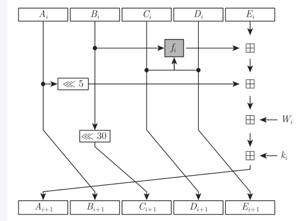
| void SHA1ProcessMessageBlock(SHA1Context *context) { const uint32_t K[] = { 0x5A827999, 0x6ED9EBA1, 0x8F1BBCDC, 0xCA62C1D6 }; int t; uint32_t temp; uint32_t W[80]; uint32_t A, B, C, D, E; for (t = 0; t < 16; t++) { W[t] = context->Message_Block[t * 4] << 24; W[t] |= context->Message_Block[t * 4 + 1] << 16; W[t] |= context->Message_Block[t * 4 + 2] << 8; W[t] |= context->Message_Block[t * 4 + 3]; } for (t = 16; t < 80; t++) { W[t] = SHA1CircularShift(1, W[t - 3] ^ W[t - 8] ^ W[t - 14] ^ W[t - 16]); } A = context->Intermediate_Hash[0]; B = context->Intermediate_Hash[1]; C = context->Intermediate_Hash[2]; D = context->Intermediate_Hash[3]; E = context->Intermediate_Hash[4]; for (t = 0; t < 20; t++) { temp = SHA1CircularShift(5, A) + ((B & C) | ((~B) & D)) + E + W[t] + K[0]; E = D; D = C; C = SHA1CircularShift(30, B); B = A; A = temp; } for (t = 20; t < 40; t++) { temp = SHA1CircularShift(5, A) + (B ^ C ^ D) + E + W[t] + K[1]; E = D; D = C; C = SHA1CircularShift(30, B); B = A; A = temp; } for (t = 40; t < 60; t++) { temp = SHA1CircularShift(5, A) + ((B & C) | (B & D) | (C & D)) + E + W[t] + K[2]; E = D; D = C; C = SHA1CircularShift(30, B); B = A; A = temp; } for (t = 60; t < 80; t++) { temp = SHA1CircularShift(5, A) + (B ^ C ^ D) + E + W[t] + K[3]; E = D; D = C; C = SHA1CircularShift(30, B); B = A; A = temp; } context->Intermediate_Hash[0] += A; context->Intermediate_Hash[1] += B; context->Intermediate_Hash[2] += C; context->Intermediate_Hash[3] += D; context->Intermediate_Hash[4] += E; context->Message_Block_Index = 0; }
|
这个跟md5的轮函数就很相似了,只不过md5的直接将每一步用宏写出来,而这里使用的是循环。
SHA1和MD5一样,也有分组,只不过MD5的分组是M0~M15总共16个分组,而SHA1则是80个分组,W0~W15使用原始数据进行分组,后面的分组都是经过前面的分组运算之后进行循环左移1位(不进行左移就是SHA0了,有安全性问题)产生的。
通过轮函数的运算之后再和开始的初始化向量相加。
轮函数如下:

5. SHA1Result函数
1 2 3 4 5 6 7 8 9 10 11 12 13 14 15 16 17 18 19 20 21 22 23 24
| int SHA1Result(SHA1Context *context, uint8_t Message_Digest[SHA1HashSize]) { int i; if (!context || !Message_Digest) { return shaNull; } if (context->Corrupted) { return context->Corrupted; } if (!context->Computed) { SHA1PadMessage(context); for (i = 0; i < 64; ++i) { context->Message_Block[i] = 0; } context->Length_Low = 0; context->Length_High = 0; context->Computed = 1; } for (i = 0; i < SHA1HashSize; ++i) { Message_Digest[i] = context->Intermediate_Hash[i >> 2] >> 8 * (3 - (i & 0x03)); } return shaSuccess; }
|
该函数会先判断SHA1是否已经计算完成,如果还未计算完成,则会先进行SHA1PadMessage,填充后计算一轮,然后再将最终的Intermediate_Hash值以大端序的格式存储到MEssage_Digest摘要当中。
SHA1PAdMessage实现如下:
1 2 3 4 5 6 7 8 9 10 11 12 13 14 15 16 17 18 19 20 21 22 23 24 25 26 27
| void SHA1PadMessage(SHA1Context *context) { if (context->Message_Block_Index > 55) { context->Message_Block[context->Message_Block_Index++] = 0x80; while (context->Message_Block_Index < 64) { context->Message_Block[context->Message_Block_Index++] = 0; } SHA1ProcessMessageBlock(context); while (context->Message_Block_Index < 56) { context->Message_Block[context->Message_Block_Index++] = 0; } } else { context->Message_Block[context->Message_Block_Index++] = 0x80; while (context->Message_Block_Index < 56) { context->Message_Block[context->Message_Block_Index++] = 0; } }
context->Message_Block[56] = context->Length_High >> 24; context->Message_Block[57] = context->Length_High >> 16; context->Message_Block[58] = context->Length_High >> 8; context->Message_Block[59] = context->Length_High; context->Message_Block[60] = context->Length_Low >> 24; context->Message_Block[61] = context->Length_Low >> 16; context->Message_Block[62] = context->Length_Low >> 8; context->Message_Block[63] = context->Length_Low; SHA1ProcessMessageBlock(context); }
|
该函数开始先判断Message_Block当中是否大于55字节,如果大于则后续不够填充数据长度,则先填充0x80和一堆0,先扩充至512位,进行一次运算先。运算完成后会重现填充0,直到填满56位。
如果没有大于55字节,则先填上0x80,然后填充字节0,最后填上数据长度到末尾(这里也是大端序方式填充),最后计算。
可以看到这个SHA1与md5大致的流程还是满相似的。